GUARDRAIL SYSTEMS EMBEDDED IN ASPHALT VEGETATION BARRIERS
Report Number(s): TRP-03-377-17
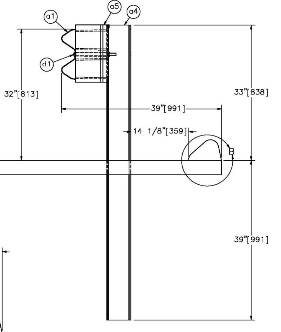
Description: Standard 12-gauge (2.7-mm) thick W-beam rail segments were supported by 72-in. (1,829- mm) long, W6x8.5 (W152x12.6) steel posts. The W-beam rail was mounted with a top-rail height of 32 in. (813 mm)
Test Level: 3
MASH Test Number: 3-10
Proprietary/Non-proprietary: Non-proprietary
Pass/Fail: Fail
Evaluation: Full-Scale Crash Testing
Sponsor: GEORGIA INSTITUTE OF TECHNOLOGY
Test Article Description
Height: 32"
Rail Type: W-Beam
Rail Thickness: 12-Gauge
Post Type: W6 x 8.5
Material: Steel
Post Spacing: 6' 3"
Blockout Type: Composite
Aesthetic: No
Special Configuration: Curb
Report(s):
