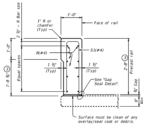
TxDOT Type T221P
Report Number(s): NA
Description: Precast T221 Rail (32.75" tall)
Test Level: 3
MASH Test Number: None
Proprietary/Non-proprietary: Non-proprietary
Pass/Fail: Pass
Evaluation: Engineering Analysis
Sponsor: Texas Department of Transportation
Test Article Description
Height: 32.75"
Test Article Description
Material: Concrete
Aesthetic: No
See Through: No
Retrofit: Yes
Combo. (Veh/Ped): No
Report(s):
Link to TxDOT Standard:
ftp://ftp.dot.state.tx.us/pub/txdot-info/cmd/cserve/standard/bridge/rlstd041.pdf
