Approach Guardrail Transition to the Hawaii Concrete Post and Beam Bridge Rail
Report Number(s): TRP-03-478c-25
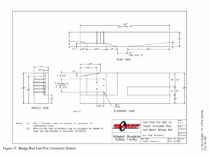
Description: The complete barrier transition from standard W-beam guardrail (the Midwest Guardrail System) to the Hawaii Concrete Post and Beam Bridge Rail was comprised of multiple regions, including an upstream W-to-thrie beam stiffness transition, a thrie beam approach guardrail transition, and a bridge rail end post. The layout of these barrier regions is depicted in Figure 10. The absence of any one of these barrier regions would result in an incomplete AGT and would negatively affect the safety performance of the barrier system. Going from upstream to downstream, the approach guardrail transition, including the Wto-thrie stiffness transition, consisted of a 6.25-ft long, asymmetric, 10-ga. W-to-thrie beam transition segment, 6.25 ft of 12-ga. thrie beam, 12.5 ft of nested 12-ga thrie beam, and a 10-ga. thrie beam terminal connector. All guardrail segments had a nominal top height of 31 in. The four transition posts at the downstream end of the AGT were 6.5-ft long W6x15 posts with 8-in. deep blockouts, while the remaining posts were 6-ft long W6x9 posts with 12-in. deep blockouts. Post spacings varied between 37½ in. and 18¾ in. depending on the location within the AGT. Additionally, a 6-in. tall curb was located below the nested thrie beam guardrail with the face of the curb in line with the face of the guardrail. Note, the upstream end of the curb was terminated prior to the W-to-thrie transition segment, and the height of the curb increased to 10 in. on the downstream end of the curb to match the height of the lateral recess in the bridge rail end post.
Test Level: 3
System Type: Guardrail to Concrete Post and Beam Bridge Rail
MASH Test Number: 3-20, 3-21
Proprietary/Non-proprietary: Non-proprietary
Pass/Fail: Pass
Evaluation: Full-Scale Crash Testing
Sponsor: Hawaii Department of Transportation
Test Article Description
Transition Type: Thrie Beam
Nested: Yes
Rubrail: No
Rubrail Nested: n/a
Curb Present: Yes
Report(s):

